
10 Inch Low Profile Diaphragm Chuck
- Totally Sealed with No Metal-to-Metal Moving Parts
Delivery Time: 10-12 weeks *
Specifications
Importance of Diaphragm Chucks
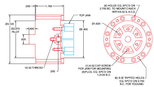
Northfield Diaphragm Chucks are the most accurate chucks in the world and are the fastest to open and close out of all of the chuck types (scroll, manual, hydraulic, sliding jaw). They require no maintenance since they are completely sealed from any dirt or oil, and have no metal-to-metal sliding components. Therefore, their expected life span can go on for millions of cycles. All Northfield chucks are self-centering. And if you are looking for high accuracy, then the Northfield Diaphragm Chuck is the way to go.

Importance of Diaphragm Chucks
Northfield Diaphragm Chucks are the most accurate chucks in the world and are the fastest to open and close out of all of the chuck types (scroll, manual, hydraulic, sliding jaw). They require no maintenance since they are completely sealed from any dirt or oil, and have no metal-to-metal sliding components. Therefore, their expected life span can go on for millions of cycles. All Northfield chucks are self-centering. And if you are looking for high accuracy, then the Northfield Diaphragm Chuck is the way to go.
How to select the correct Diaphragm Chucks?
STANDARD FEATURES
- Air Actuated - Air driven actuation is easier and cleaner than hydraulic actuation because it does not require a hydraulic pump, which means more control with the grip force - allowing a range of medium to delicate part grip. It's also simpler to set up.
- Additional Actuation Options - There are multiple ways to power Northfield chucks, including spring clamp-air open, or air clamp-spring open. Other custom actuation applications are available upon request.
- External Grip - All standard diaphragm chucks focus on external grip only, for hard turning, grinding, assembly, milling, and inspection applications.
- Stationary Capable - All Northfield chucks can be used for stationary applications as well as rotating applications.
- Hardened and Ground Chuck Components - Northfield’s chucks are developed using high strength alloy steels with all critical components hardened and ground to various Rockwell "C" scales.
- Rotary Tables - Northfield chucks are capable of being used on 5-axis machines.
- Totally Sealed - No maintenance.
- Consistent Grip Force (Counter Balance) - Counterbalanced jaw force ensures no loss of grip force at elevated RPMs.
- High RPM - With properly designed top tooling these chucks can achieve a speed of 15,000 RPM Max.
- Quick Change Jaws - Quick change tooling significantly reduces set-up time. All diaphragm chucks are designed with jaws that repeat to 1/10,000 T.I.R. when removed and re-installed. These jaws will also repeat on other chucks of the same model.
SIZE BODY
3 in, 4 in, 5 in, 6 in, 7 in, 8 in, 10 in - Northfield chucks come in various sizes to accommodate different machine space, grip force, RPMs, and workpiece sizes. Please contact an engineer to learn more about what size chuck is best for your product.
OPTIONAL FEATURES
- Dead Stop - Your part is banked against a stopping surface that ensures the part doesn't move during the application, and has a consistent datum location.
- Spring Clamp - If there is an air failure, a spring closed chuck will not release the work piece.
- Coolant or Air Passages (popular option) - Coolant through can be used for flushing chips away from the chuck. Alternatively, air can be used for detecting if a part is properly seated.
- Quick Change Chuck Body - Fast changeover chucks for reduced set-up time, which requires no reboring of jaws.
- Number of Jaws - Northfield Diaphragm Chucks can be made starting with a single jaw and can have as many jaws as needed.
- Specialty Application Jaws - Custom designed, hardened and ground workholding jaws to meet your products needs.
- Drawbar Operated - Manual drawbar solid or tube.
- Air Detect/ Part Seat Sensing - Part seat sensing is a safety measure that tells the machine that the part is clamped properly in the machine and to start the cycle.
- Low Profile - Custom accommodation for machines with less space for chucking components.
TECHNICAL SPECIFICATIONS (ALL MODELS)
Max. Speed - 15,000 RPM
Repeatability (Max. Concentricity) - 0.000020" T.I.R.
Repeatability (Max. End Lengths) - 0.000010" T.I.R.
- Weight - 3.4 lb to 68.7 lb